由于產品技術規格范圍比較寬,請廣大客戶訂購時在備注里備注所需要的輸入輸出范圍,以保證購買到合適的產品!
輸入信號范圍:0-10V、0-5V、0-75mV、0-20mA、4-20mA、DC 0-100V、DC 0-465V、DC 0-1A、DC 0-10A、AC 0-5A、AC 0-10A、AC 0-380V、AC 0-500V、電位計0-5KΩ、電阻0-5KΩ、熱電阻-200--500℃,熱電偶0-1600℃等用戶特定規格
輸出信號范圍:0-10V、0-5V、0-75mV、0-20mA、4-20mA、1-5V、4-12-20mA等用戶需要的標準信號。
配電器配電:一路配電、雙路配電、配電電壓為16--26V。
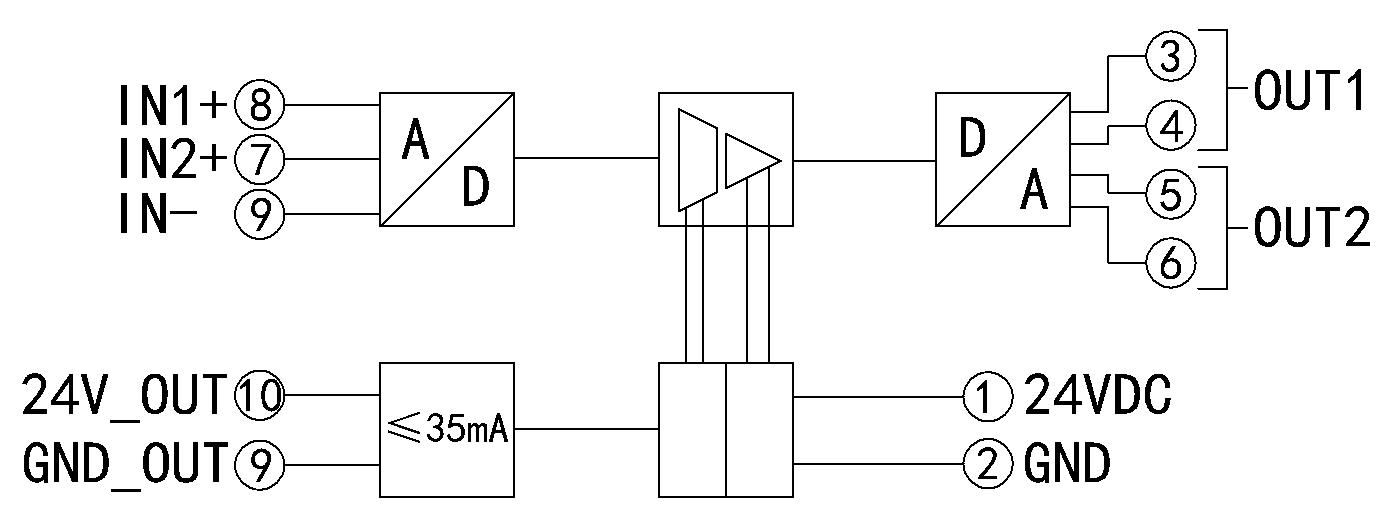
有源單通道高精度模擬量信號隔離變送器,是將輸入與輸出之間的電氣絕緣的模擬信號進行隔離的信號調整器,接收現場儀表的各種模擬量信號輸入,通過模擬量信號隔離變送器進行信號隔離調理,以標準模擬量信號的形式傳輸到控制室或PLC及DCS系統。本產品的輸入、輸出間互相隔離,隔離電壓達1500VDC,在電量隔離測控的工業現場、電力監控、醫療電子設備、模擬量4~20mA 信號隔離及采集,遠程信號長線無失真傳輸等方面廣泛應用。該模擬量信號隔離變送器采用光電隔離技術,具有高輸出精度、極低溫飄、高線性度及寬供電電壓等特點。
●小體積,低成本,無需調節用戶直接使用
●兩端隔離(輸入、輸出間相互隔離)
●雙通道輸入,雙通道輸出
●高精度等級(0.1% F.S)
●高線性度(0.2% F.S)
●高隔離耐壓(1500VDC / 60S)
●極低溫度漂移(50PPM/℃)
●工業溫度范圍(-45~+85℃)
●低阻抗(壓降<2.5V,20mA時)
●寬電壓輸入(24V±20%)
JY-DIN102-CTCC有源高精度模擬量信號隔離變送器,是將輸入與輸出之間的電氣絕緣的模擬信號進行隔離的信號調整器,接收現場儀表的各種模擬量信號輸入,通過模擬量信號隔離變送器進行信號隔離調理,以標準模擬量信號的形式傳輸到控制室或PLC及DCS系統。本產品的輸入、輸出間互相隔離,隔離電壓達1500VDC,在電量隔離測控的工業現場、電力監控、醫療電子設備、模擬量4~20mA 信號隔離及采集,遠程信號長線無失真傳輸等方面廣泛應用。該模擬量信號隔離變送器采用光電隔離技術,具有高輸出精度、極低溫飄、高線性度及寬供電電壓等特點。

![]()


1、使用前,請仔細閱讀產品說明書,如有疑問,請與公司技術支持或售后服務人員聯系;
2、請不要將產品安裝在危險區域使用,產品工作電源為直流電源,嚴禁使用220V交流電源為產品作為工作電源;
3、嚴禁私自拆裝產品,防止產品失效或發生故障。
