DAM0404-GPRS 設備是我公司 DAM 系列設備中 GPRS 版本的一種,設備基于移動和聯通的 GPRS 網絡來進行通訊,使用我司配套的云平臺軟件可實現遠程控制設備功能,每個設備具有唯一 ID 號方便用戶進行二次開發使用。
l 供電電壓 DC7-40V;
l 繼電器輸出觸點隔離;
l 使用 GPRS 通訊,SIM 卡支持移動、聯通,暫不支持電信;
l 通信波特率:2400,4800,9600,19200,38400
l 通信協議:支持標準 modbus 協議;
l 四路繼電器控制;
l 四路開關量輸入;
l 可實現遠距離操控;
l 具有閃開、閃斷功能,可以在指令里邊帶參數、操作繼電器開一段時間自動關閉。
型號 | modbus | RS232 | RS485 | USB | GSM | 繼電器 |
DAM0404-GPRS | ● | ● | 4 |
參數 | 說明 |
觸點容量 | 10A/30VDC 10A/250VAC |
耐久性 | 10萬次 |
通訊接口 | GSM 網絡(移動、聯通) |
額定電壓 | DC 7-40V |
電源指示 | 1路紅色 LED 指示(不通信時常亮,通信時閃爍) |
輸出指示 | 4路紅色 LED 指示 |
溫度范圍 | 工業級,-40℃~85℃ |
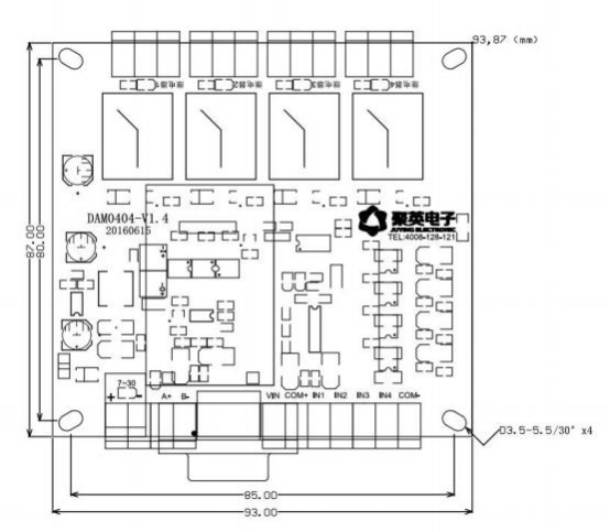
尺寸 | 115*95*41mm |
重量 | 330g |
默認通訊格式 | 9600,n,8,1 |
波特率 | 2400,4800,9600,19200,38400 |
軟件支持 | 配套配置軟件、app 控制軟件,平臺軟件;支持各家組態軟件; 支持 Labviewd 等 |
設備使用基于移動或聯通的 GSM 網絡進行遠程通訊,設備上插入移動或聯通 SIM 卡即可,支持流量卡。

1 、 設備上電后,在設備上插入移動或聯通 SIM 卡;
2 、 使用手機向設備中的手機號發送設置管理員指令;
3 、 通過提供的二維碼標簽或者發送查詢短信指令獲取設備唯一 ID 號;
4 、 安裝 app 軟件添加設備進行測試【默認設備的指向服務器是我司服務器】;
5 、 通過發送短信指令來將服務器地址改為使用的服務器地址;【選用】

序號 | 引腳 | 說明 |
1 | + | 電源正極 |
2 | - | 電源負極 |
3 | VIN | 無源輸入時 VIN 和COM 短接用,具體查看輸入接線圖 |
4 | COM+ | 無源輸入時 VIN 和COM 短接用,具體查看輸入接線圖 |
5 | IN1 | 第一路開關量輸入 |
6 | IN2 | 第二路開關量輸入 |
7 | IN3 | 第三路開關量輸入 |
8 | 第四路開關量輸入 | |
9 | COM- | 無源輸入時使用,具體查看輸入接線圖 |
10 | 常開 | 第一路繼電器輸出常開端 |
11 | 公共端 | 第一路繼電器輸出公共端 |
12 | 常閉 | 第一路繼電器輸出常閉端 |
13 | 常開 | 第二路繼電器輸出常開端 |
14 | 公共端 | 第二路繼電器輸出公共端 |
15 | 常閉 | 第二路繼電器輸出常閉端 |
16 | 常開 | 第三路繼電器輸出常開端 |
17 | 公共端 | 第三路繼電器輸出公共端 |
18 | 常閉 | 第三路繼電器輸出常閉端 |
19 | 常開 | 第四路繼電器輸出常開端 |
20 | 公共端 | 第四路繼電器輸出公共端 |
21 | 常閉 | 第四路繼電器輸出常閉端 |

帶殼尺寸

裸板尺寸
插卡方向如下圖 所示:

(芯片朝上,缺口朝外)



獲取設備唯一 ID 號有以下兩種方式:
使用手機掃描設備外殼或包裝外殼上的二維碼獲取唯一 ID 號,如下所示:


(紅色部分為必須指令,其他選用)
1:【管理員手機號】
配置短信:*JY#01#123456#138xxxxxxxx#
2:【APN】
查詢:*JY#02#
配置:*JY#02#"CMNET","",""#
3:【DNS】
查詢:*JY#03#
配置:*JY#03#114. 114. 114. 114#8.8.8.8#300#60#
4:【登錄信息包】
查詢:*JY#04#
配置:*JY#04#Hex#010203040506
5:【心跳包】
查詢:*JY#05#
配置:*JY#05#ASCII#:138xxxxxxxx.
6:【查詢唯一 ID 號】
查詢:*JY#30#
配置:*JY#30#UNID:***********
CSQ:**
GPS:**
此處為配置 TCP/UDP Client模式時面向的服務器的IP 地址及端口號設置,默認面向我司的服務器:ems.jydtu.com ,端口號:60001 。(紅色部分為可修改部分)網絡 1-網絡 6 其中的任意通道修改即可。
11:【網絡 1】
查詢:*JY#11#
配置:*JY#11#1#ems.jydtu.com#60001#10000#300#0#31#
12:【網絡 2】
查詢:*JY#12#
配置:*JY#12#0##10000#10000#300#0#255#
13:【網絡 3】
查詢:*JY#13#
配置:*JY#13#0##10000#10000#300#0#255#
14:【網絡 4】
查詢:*JY#14#
配置:*JY#14#0##10000#10000#300#0#255#
15:【網絡 5】
查詢:*JY#15#
配置:*JY#15#0##10000#10000#300#0#255#
16:【網絡 6】
查詢:*JY#16#
配置:*JY#16#0##10000#10000#300#0#255#
21:【串 口 1】
查詢:*JY#21#
配置:*JY#21#0#0#0#0#255#0#
22:【串 口 2】
查詢:*JY#22#
配置:*JY#22#0#0#0#0#255#0#
23:【串 口 3】
查詢:*JY#23#
配置:*JY#23#0#0#0#0#255#0#
24:【串口 4】
查詢:*JY#24#
配置:*JY#24#0#0#0#0#255#0#
25:【串 口 5】
查詢:*JY#25#
配置:*JY#25#0#0#0#0#255#0#
短信指令也可通過軟件生成。
打開軟件后,打開串口,修改參數配置,點擊修改后,在 DTU 配置軟件的“基本配置信息 ”頁,點擊“生成短信 ”,即可生成短信指令。

聚英云平臺為我公司開發的一款網絡平臺軟件,平臺包含手機 APP 平臺軟件和網頁版平臺,其中手機 APP 軟件又包含 Android 、IOS 兩大類,平臺以我公司的 DAM 系列網絡版設備和GPRS 版設備為應用對象,旨在為用戶提供遠程控制輸出(繼電器、開關量)、模擬量(4-20mA 、0-10V 、0-5V)采集、開關量采集等服務,極大方便了用戶的需求,服務器由我公司提供,客戶可放心使用。
云平臺軟件分為以下三種:
Android 版 app 軟件:

IOS 版 app 軟件:

用戶可通過聚英云平臺自行添加 DAM 系列網絡版設備實現遠程監控,DAM 系列網絡版設備,每臺設備擁有唯一 ID 號,同一臺設備可供多個用戶添加使用。
在手機上安裝下載的 app 軟件,以 Android 為例(IOS 版操作方法相同)。安裝后的圖標如下

打開軟件后,點擊“用戶信息 ”,顯示登陸界面,如下:

軟件支持 QQ 和微信登陸,確保了用戶的信息安全,同時方便用戶使用,也可通過手機注冊賬號登陸。
登陸賬號后,在“實時監控 ”界面內添加設備,如下所示:

產品型號通過下拉選擇,需要根據購買的設備型號選擇,

fUNID 指的是設備的唯一 ID 號,可通過掃一掃,掃描設備上的二維碼,或通過查詢指令獲取 ID 號寫入即可。
掃描二維碼獲取唯一 ID
點擊 fUNID 后面的 ,可進入掃描二維碼界面,如下所示。

掃描完成后自動獲取唯一 ID 號。

成功添加設備后,可在“實時監控 ”界面進行設備參數設置、控制與數據查看。


點擊頂部菜單欄內的圖標,即可進入編輯頁面,對 DO 通道的名稱進行修改,如下圖所示:

在編輯頁面內,對 DI 通道的名稱進行修改,如下圖所示:

在編輯頁面也可對 AI 模擬量的輸入進行上下限報警設定,如下:

編輯完成后,點擊完成,在監控界面查看當前設備狀態即可,此時,設備已實現真正意義上的遠程監控功能。
首先確定設備的輸入信號為哪一種,我們以溫度變送器為例,溫度變送器的輸出信號為4-20mA ,通過 DAM 設備采集溫度變送器的輸出信號。DAM 設備采集到的 4-20mA 數據與實際之間的關系為:實際值=返回值*0.001 ,及采集到的數據值范圍為 4000-20000 ,若溫度范圍為0-100℃ , 則在編輯界面寫入對應關系,如下所示即可。

對應關系編輯確定后,在設備界面查看即可。歷史數據及曲線記錄

在編輯頁面點擊

即可刪除設備。
本控制卡主要為線圈寄存器,主要支持以下指令碼:1 、5 、15
指令碼 | 含義 |
1 | 讀線圈寄存器 |
5 | 寫單個線圈 |
15 | 寫多個線圈寄存器 |
線圈寄存器地址表:
寄存器名稱 | 寄存器地址 | 說明 |
線圈控制 | ||
線圈 1 | 00001 | 第一路繼電器輸出 |
線圈 2 | 00002 | 第二路繼電器輸出 |
線圈 3 | 00003 | 第三路繼電器輸出 |
線圈 4 | 00004 | 第四路繼電器輸出 |
循環控制 | ||
【JD1】 | 40001-40005 | [0001] :循環操作次數 [0002] :循環操作中閉合時間(ms) [0003] :循環操作中斷開時間(ms) [0004] :閃斷閃閉模式 4: 閃閉操作 2: 閃斷操作 其他:無效操作 [0005] :閃開閃閉工作時間(ms) |
【JD2】 | 40006-40010 | |
【JD3】 | 40011-40015 | |
【JD4】 | 40016-40020 | |
配置參數 | ||
通信波特率 | 41001 | 見下表波特率數值對應表,默認為 0,支持 |
備用 | 41002 | 備用,用戶不可寫入任何值。 |
設備組號 | 41003 | 用于擴展設備使用。 組號取值范圍:0,1,2,3,4,5,6,7 設備地址=設備組號*32+組內地址 |
備用 | 41004 | 用戶可以使用,存儲用戶數據 |
備用 | 41005 | 用戶可以使用,存儲用戶數據 |
只讀參數 | ||
設備地址 | 30001 | Modbus 訪問的地址 |
線圈輸出狀態 | 30002 | 1-16 |
光耦輸入狀態 | 30003 | 1-16 |
備注:
① :Modbus 設備指令支持下列Modbus 地址:
00001 至 09999 是離散輸出(線圈) 10001 至 19999 是離散輸入(觸點)
30001 至 39999 是輸入寄存器(通常是模擬量輸入) 40001 至 49999 是保持寄存器(通常存儲設備配置信息)
采用5 位碼格式,第一個字符決定寄存器類型,其余 4 個字符代表地址。地址 1 從 0 開始,如 00001 對應 0000。
波特率數值對應表
數值 | 波特率 |
0 | 9600 |
1 | 2400 |
2 | 4800 |
3 | 9600 |
4 | 19200 |
5 | 38400 |
③ :繼電器狀態,通過 30002 地址可以查詢,也可以通過 00001---00002 地址來查詢,但控制只能使用 00001---00002 地址。
30002 地址數據長度為 16bit 。最多可表示 16 個繼電器。
對應結果如下:
Bit | 15 | 14 | 13 | 12 | 11 | 10 | 9 | 8 | 7 | 6 | 5 | 4 | 3 | 2 | 1 | 0 |
繼 電 器位置 | 8 | 7 | 6 | 5 | 4 | 3 | 2 | 1 | 16 | 15 | 14 | 13 | 12 | 11 | 10 | 9 |
即 寄存器 30009 數據 的 bit8 與寄存器 00001 的數據一樣。
同理:光耦輸入也是如此。寄存器 30003 的 bit8 、bit9 與寄存器 10001 、10002都對應到指定的硬件上。
寄存器地址按照 PLC 命名規則,真實地址為去掉最高位,然后減一。
情景 | RTU 格式(16 進制發送) |
查詢四路狀態 | FE 01 00 00 00 04 29 C6 |
查詢指令返回信息 | FE 01 01 00 61 9C |
控制第一路開 | FE 05 00 00 FF 00 98 35 |
控制返回信息 | FE 05 00 00 FF 00 98 35 |
控制第一路關 | FE 05 00 00 00 00 D9 C5 |
控制返回信息 | FE 05 00 00 00 00 D9 C5 |
控制第二路開 | FE 05 00 01 FF 00 C9 F5 |
控制第二路關 | FE 05 00 01 00 00 88 05 |
控制第三路開 | FE 05 00 02 FF 00 39 F5 |
控制第三路關 | FE 05 00 02 00 00 78 05 |
控制第四路開 | FE 05 00 03 FF 00 68 35 |
控制第四路關 | FE 05 00 03 00 00 29 C5 |
控制 1 路繼電器(以第一路開為例,其他通道參照本例)
發送碼:FE 05 00 00 FF 00 98 35
字段 | 含義 | 備注 |
FE | 設備地址 | 這里為廣播地址 |
05 | 05 指令 | 單個控制指令 |
00 00 | 地址 | 要控制繼電器寄存器地址 |
FF 00 | 指令 | 繼電器開的動作 |
98 35 | CRC16 | 前 6 字節數據的CRC16 校驗和 |
繼電器卡返回信息:
返回碼:FE 05 00 00 FF 00 98 35
字段 | 含義 | 備注 |
FE | 設備地址 | 這里為廣播地址 |
05 | 05 指令 | 單個控制指令 |
00 00 | 地址 | 要控制繼電器寄存器地址 |
FF 00 | 指令 | 繼電器開的動作 |
98 35 | CRC16 | 前 6 字節數據的CRC16 校驗和 |
查詢 4 路繼電器
發送碼:FE 01 00 00 00 04 29 C6
字段 | 含義 | 備注 |
FE | 設備地址 | 這里為廣播地址 |
01 | 01 指令 | 查詢繼電器狀態指令 |
00 00 | 起始地址 | 要查詢的第一個繼電器寄存器地址 |
00 04 | 查詢數量 | 要查詢的繼電器數量 |
29 C6 | CRC16 | 前 6 字節數據的CRC16 校驗和 |
繼電器卡返回信息:
返回碼:FE 01 01 00 61 9C
字段 | 含義 | 備注 |
FE | 設備地址 | |
01 | 01 指令 | 返回指令:如果查詢錯誤,返回 0x81 |
01 | 字節數 | 返回狀態信息的所有字節數。1+(n-1)/8 |
00 | 查詢的狀態 | 返回的繼電器狀態(16 進制轉為 2 進制,其中 1 代表吸合,0 代表斷開)。 Bit0:第一個繼電器狀態 Bit1:第二個繼電器狀態 。。。。。。。 Bit7:第八個繼電器狀態 |
61 9C | CRC16 | 前 6 字節數據的CRC16 校驗和 |
閃開發送碼:FE 10 00 03 00 02 04 00 04 00 0A 00 D8
閃斷發送碼:FE 10 00 03 00 02 04 00 02 00 14 21 62
字段 | 含義 | 備注 |
FE | 設備地址 | |
10 | 10 指令 | 查詢輸入寄存器指令 |
00 03 | 繼電器地址 | 要控制的器地址 |
00 02 | 控制命令數量 | 要對繼電的命令個數 |
04 | 字節數 | 控制信息命令的的所有字節數。1+(n-1)/8 |
00 04/00 02 | 指令 | 閃開閃閉指令 |
00 0A | 延時時間 | 00 0A 為十六進制換為十進制則為間隔時間 |
00 D8 | CRC16 |
返回碼:FE 10 00 03 00 02 A5 C7
字段 | 含義 | 備注 |
FE | 設備地址 | |
10 | 10 指令 | 返回指令:如果查詢錯誤,返回 0x82 |
00 03 | 設備地址 | 查詢設備的地址 |
00 02 | 接收命令數 | 設備接受的命令個數 |
A5 C7 | CRC16 | 校驗位 |
全開發送碼:FE 0F 00 00 00 04 01 FF 31 D2
全斷發送碼:FE 0F 00 00 00 04 01 00 71 92
字段 | 含義 | 備注 |
FE | 設備地址 | |
0F | 0F 指令 | 返回指令:如果查詢錯誤,返回 0x82 |
00 00 | 起始地址 | |
00 04 | 控制數量 | 控制的繼電器數量 |
01 | 字節數 | 發送命令字節數 |
FF (或 00) | 全開全關命令 | FF 全開命令 00 全關命令 |
31 D2(或 71 92) | CRC16 | 校驗位 |
全斷全開返回碼:FE 0F 00 00 00 04 40 07
字段 | 含義 | 備注 |
FE | 設備地址 | |
0F | 0F 指令 | 返回指令:如果查詢錯誤,返回 0x82 |
00 00 | 起始地址 | |
00 04 | 數量 | 返回信息的繼電器數量 |
40 07 | CRC16 | 校驗位 |
發送指令碼:FE 02 00 00 00 04 6D C6
字段 | 含義 | 備注 |
FE | 設備地址 | |
02 | 02 指令 | 查詢離散量輸入(光耦輸入)狀態指令 |
00 00 | 起始地址 | 要查詢的第一個光耦的寄存器地址 |
00 04 | 查詢數量 | 要查詢的光耦狀態數量 |
6D C6 | CRC16 | 前 6 字節數據的CRC16 校驗和 |
光耦返回信息:
返回碼:FE 02 01 00 91 9C
字段 | 含義 | 備注 |
FE | 設備地址 | |
02 | 02 指令 | 返回指令:如果查詢錯誤,返回 0x82 |
01 | 字節數 | 返回狀態信息的所有字節數。 |
00 | 查詢的狀態 | 返回的光耦的狀態。 Bit0:第一個光耦的狀態 Bit1:第二個光耦的狀態 。。。。。。。 Bit3:第四個光耦的狀態 |
91 9C | CRC16 | 前 6 字節數據的CRC16 校驗和 |


| 云平臺 DAM0404D GPRS版 遠程智能控制器說明書 | 云平臺 DAM0404D GPRS版 遠程智能控制器說明書 |
| 網口配置軟件 | 網口配置軟件 |
| WIFI配置手冊 | WIFI配置手冊 |
| 網口WIFI配置資料 | 網口WIFI配置資料 |
| GPRS配置手冊 | GPRS配置手冊 |
| 應用軟件(WEB端) | 應用軟件(WEB端) |
| 應用軟件(PC端) | 應用軟件(PC端) |
| 開發資料 | 開發資料 |
聯網方式:2G/4G全網通
功能說明:4DO+8DI
版本說明:標準版
聯網方式:2G/4G全網通
功能說明:2DO+14DI+14AI
版本說明:標準版
聯網方式:LORA/2G/4G全網通
功能說明:8DO+8DI+8AI
版本說明:智能自控版
聯網方式:2G/4G全網通
功能說明:10DO+10DI+2AI
版本說明:標準版
聯網方式:2G/4G全網通
功能說明:4DO+4AI
版本說明:標準版
聯網方式:2G/4G全網通
功能說明:4DO
版本說明:標準版
聯網方式:2G/4G全網通
功能說明:14DO
版本說明:標準版
聯網方式:2G/4G全網通
功能說明:6DO+6DI
版本說明:標準版