型號 | modbus | RS232 | RS485 | USB | WiFi | 輸出 | 輸入 |
DAM1600DI-YD-RS232 | ● | ● | 0 | 16 | |||
DAM1600DI-YD-RS485 | ● | ● | 0 | 16 |
參數 | 說明 |
數據接口 | RS485、RS232 |
額定電壓 | DC 7-30V |
電源指示 | 1路LED指示 |
輸出指示 | 16路LED指示 |
溫度范圍 | 工業級,-40℃~85℃ |
尺寸 | 100*70*35mm |
安裝方式 | 35mm卡軌安裝 |
默認通訊格式 | 9600,n,8,1 |
波特率 | 2400,4800,9600,19200,38400 |
軟件支持 | 配套配置軟件、控制軟件; |
重量 | 100g |
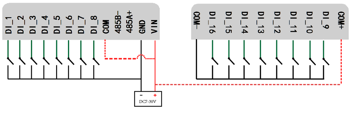
VIN為供電電源正極,GND為供電電源負極。
注:COM端與VIN,COM+和VIN可以在設備內連接,購買時需說明。
打開“聚英翱翔DAM調試軟件”;串口設定欄:串口選擇您電腦對應COM口,波特率選擇設備默認波特率(9600)(未自己設置過波特率前),設備地址填寫“254”(254為設備的廣播地址),設備型號選擇相對應型號,設置好以上設備的4個參數后點擊打開串口,點擊繼電器按鈕“JD1”若繼電器反應則連接成功。
本設備是沒有撥碼開關的設備,所以設備地址 = 偏移地址。
點擊軟件上方“讀取地址”
點擊軟件下方偏移地址后邊的“讀取”或“設置”來對設備的偏移地址進行讀取或設置。
點擊下方波特率設置欄的“讀取”和“設置”就可以分別讀取和設置波特率和地址,操作后需要重啟設備和修改電腦串口設置。
本產品支持標準modbus指令,有關詳細的指令生成與解析方式,可根據本文中的寄存器表結合參考《MODBUS協議中文版》 即可。
Modbus協議中文版下載地址:http://m.jobatable.com.cn/software/software/Modbus POLL軟件及使用教程.rar
本產品支持modbus RTU 格式。
本控制卡主要為線圈寄存器,主要支持以下指令碼:2
指令碼 | 含義 |
2 | 讀光耦寄存器 |
線圈寄存器地址表:
寄存器名稱 | 寄存器地址 | 說明 | |||
線圈控制 | |||||
線圈1 | 寫線圈 1號指令碼 | 00001 | 第一路繼電器輸出 | ||
線圈2 | 00002 | 第二路繼電器輸出 | |||
線圈3 | 00003 | 第三路繼電器輸出 | |||
線圈4 | 00004 | 第四路繼電器輸出 | |||
線圈5 | 00005 | 第五路繼電器輸出 | |||
線圈6 | 00006 | 第六路繼電器輸出 | |||
線圈7 | 00007 | 第七路繼電器輸出 | |||
線圈8 | 00008 | 第八路繼電器輸出 | |||
離散量輸入 | |||||
輸入1 | 開關量 2號指令 | 10001 | 第一路輸入 | ||
輸入2 | 10002 | 第二路輸入 | |||
輸入3 | 10003 | 第三路輸入 | |||
輸入4 | 10004 | 第四路輸入 | |||
輸入5 | 10005 | 第五路輸入 | |||
輸入6 | 10006 | 第六路輸入 | |||
輸入7 | 10007 | 第七路輸入 | |||
輸入8 | 10008 | 第八路輸入 | |||
模擬量輸入 | |||||
輸入1 | 模擬量 4號指令 | 30001 | 第一路輸入 | ||
輸入2 | 30002 | 第二路輸入 | |||
輸入3 | 30003 | 第三路輸入 | |||
輸入4 | 30004 | 第四路輸入 | |||
輸入5 | 30005 | 第五路輸入 | |||
輸入6 | 30006 | 第六路輸入 | |||
輸入7 | 30007 | 第七路輸入 | |||
輸入8 | 30008 | 第八路輸入 | |||
配置參數 | |||||
通信波特率 | 保持寄存器 | 41001 | 見下表波特率數值對應表,默認為0,支持0-5,該寄存器同時決定RS232和RS485的通信波特率 | ||
備用 | 41002 | 備用,用戶不可寫入任何值。 | |||
偏移地址 | 41003 | 設備地址=偏移地址+撥碼開關地址 | |||
工作模式 | 41004 | 用戶可以使用,存儲用戶數據 | |||
延遲時間 | 41005 | 用戶可以使用,存儲用戶數據 | |||
備注:
①:Modbus設備指令支持下列Modbus地址:
00001至09999是離散輸出(線圈)
10001至19999是離散輸入(觸點)
30001至39999是輸入寄存器(通常是模擬量輸入) 40001至49999是保持寄存器(通常存儲設備配置信息)
采用5位碼格式,第一個字符決定寄存器類型,其余4個字符代表地址。地址1從0開始,如00001對應0000。
②:波特率數值對應表
數值 | 波特率 |
0 | 38400 |
1 | 2400 |
2 | 4800 |
3 | 9600 |
4 | 19200 |
5 | 38400 |
③:繼電器狀態,通過30002地址可以查詢,也可以通過00001---00002地址來查詢,但控制只能使用00001---00002地址。
30002地址數據長度為16bit。最多可表示16個繼電器。
對應結果如下:
Bit | 15 | 14 | 13 | 12 | 11 | 10 | 9 | 8 | 7 | 6 | 5 | 4 | 3 | 2 | 1 | 0 |
繼電器位置 | 8 | 7 | 6 | 5 | 4 | 3 | 2 | 1 | 16 | 15 | 14 | 13 | 12 | 11 | 10 | 9 |
即 寄存器30009數據 的bit8 與寄存器00001的數據一樣。
同理:光耦輸入也是如此。寄存器30003的bit8、bit9 與寄存器10001、10002都對應到指定的硬件上。
寄存器地址按照PLC命名規則,真實地址為去掉最高位,然后減一。
參考資料:http://hi.baidu.com/anyili001/item/573454e6539f60afc10d75c9
應用舉例及其說明:本機地址除了撥碼開關地址之外,還有默認的254為廣播地址。當總線上只有一個設備時,無需關心撥碼開關地址,直接使用254地址即可,當總線上有多個設備時通過撥碼開關選擇為不同地址,發送控制指令時通過地址區別。
注意:RS485總線可以掛載多個設備。
指令可通過“聚英翱翔DAM系列配置軟件”,的調試信息來獲取。
查詢光耦
發送碼:FE 02 00 00 00 10 6D C9
字段 | 含義 | 備注 |
FE | 設備地址 | |
02 | 02指令 | 查詢離散量輸入(光耦輸入)狀態指令 |
00 00 | 起始地址 | 要查詢的第一個光耦的寄存器地址 |
00 10 | 查詢數量 | 要查詢的光耦狀態數量 |
6D C9 | CRC16 |
光耦返回信息:
返回碼:FE 02 02 00 01 6C 6C
字段 | 含義 | 備注 |
FE | 設備地址 | |
02 | 02指令 | 返回指令:如果查詢錯誤,返回0x82 |
02 | 字節數 | 返回狀態信息的所有字節數。1+(n-1)/8 |
00 01 | 查詢的狀態 | 返回的繼電器狀態。 Bit0:第一個光耦輸入狀態 Bit1:第二個光耦輸入狀態 。。。。。。。 Bit15:第十六個光耦輸入狀態 |
6C 6C | CRC16 |



聯網方式:RS485
功能說明:16DO+16DI
版本說明:標準版
聯網方式:RS232/USB/LORA/網口/WiFi...
功能說明:12DO+12DI+12AI
版本說明:智能自控版
聯網方式:RS232/RS485
功能說明:8DO+8DI+8AI
版本說明:智能自控版
聯網方式:RS232/RS485
功能說明:8DI
版本說明:標準版
聯網方式:RS485
功能說明:10DO+6DI+6AI
版本說明:標準版
聯網方式:RS232/RS485/網口/WiFi
功能說明:4DO+4DI+4AI
版本說明:標準版
聯網方式:RS232/RS485
功能說明:6DO+6DI
版本說明:標準版
聯網方式:RS232/RS485
功能說明:6DO+6DI
版本說明:標準版